|
|
欢迎进入成都蓉信创源科技有限公司!
028-87767908
专业创新的射频微波元器件制造商
十多年的技术沉淀,专注于射频微波元器件及解决方案
服务热线:

10余年专业射频微波元器件制造

专注于射频微波元器件及解决方案
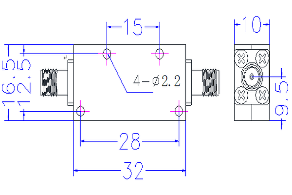
RXHPF3.5G18G50SF
    发布时间: 2024-03-05 17:37    
RXHPF3.5G18G50SF

Parameter

Specifications

Pass Band

3500-18000MHz

Rejection

≥50dB@DC-2480MHz

Insertion loss

≤1.5dB

VSWR

≤1.5

Average Power

≤10W

Impedance

50Ω

Operational Temperature

Values in Room Temperature

Storage Temperature

-40°C to +85°C


产品展示​

产品分类

Product Catalog

扫码关注微信

公众号较新动态

联系我们

电话:028-87767908
手机:15982074477 赵先生
邮箱:green.zhao@rxcy-tc.com
地址:四川省成都市武侯区武科西一路65号D栋402