|
|
欢迎进入成都蓉信创源科技有限公司!
028-87767908
专业创新的射频微波元器件制造商
十多年的技术沉淀,专注于射频微波元器件及解决方案
服务热线:

10余年专业射频微波元器件制造

专注于射频微波元器件及解决方案
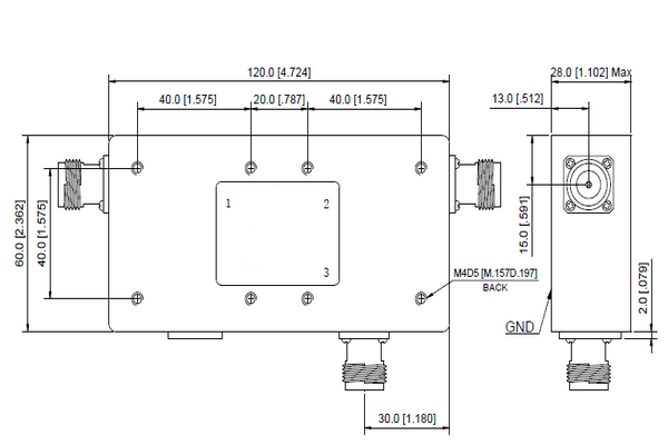
RXCT146M174M40NF
    发布时间: 2024-03-04 16:10    
RXCT146M174M40NF

Parameter

Specifications

Frequency Range

146-174MHz

Insertion Loss(1-2)

1.0dB max

Isolation(2-1)

40dB min

VSWR

1.25max

Forward Power

100W

Reverse Power

100W

Temperature

-30ºC to +75ºC


产品展示​

产品分类

Product Catalog

扫码关注微信

公众号较新动态

联系我们

电话:028-87767908
手机:15982074477 赵先生
邮箱:green.zhao@rxcy-tc.com
地址:四川省成都市武侯区武科西一路65号D栋402